ישנם סוגים רבים של עומסים מוטוריים, והסטייה לעיתים עשויה להיות גדולה בעת החלת הנוסחה. באופן כללי, למנועים גדולים יותר יש מד זרם לפיקוח ופיקוח על התאמת העיכוב של הפעלת בקרת הכוכבים-דלתא. באופן כללי, תוכלו לעשות זאת: לחצו על כפתור ההתחלה כדי לצפות בזרם של המונה. בשלב זה, מצביע השעון עשוי לחרוג מערך הסולם המלא של השעון. עם עליית המהירות המנוע, הזרם יורד לאט לאט (המצביע יורד בהדרגה). לאחר שהמצביע מגיע למצב מסוים, הוא כבר לא נופל. כאשר המשולש משתנה (כלומר, יש להפעיל את ממסר הזמן, יש לעכב אותו למשך מקסימום 2 שניות לבטיחות). זה אמור להיות הסביר ביותר. לעומת זאת, אם העומס כבד, כוח המנוע המחובר לכוכב הוא רק 1/3 מהמשולש. מהירות המנוע לא תשתנה לאחר מידה מסוימת של עלייה, אך יש מרחק מסוים מהמהירות המדורגת. בשלב זה, הזרם של המנוע נמצא לעתים קרובות במנוע המדורג. פי 1.2 יותר מזה, אין זה מועיל לעבור בזמן במצב זה, שהוא מזיק ולא מועיל (פעולת הממסר התרמי שניתן להימנע עשויה להתרחש). באופן כללי, כל עוד מדובר במכשיר שאינו אינרציאלי, המנוע האסינכרוני של הכלוב מתחת ל 75 קילוואט אינו מתחיל במשולש כוכבים. יותר מחמש שניות.
זה תלוי בעומס. אם תשאלו יותר מדוע ומקלים, יש תשובות רבות.
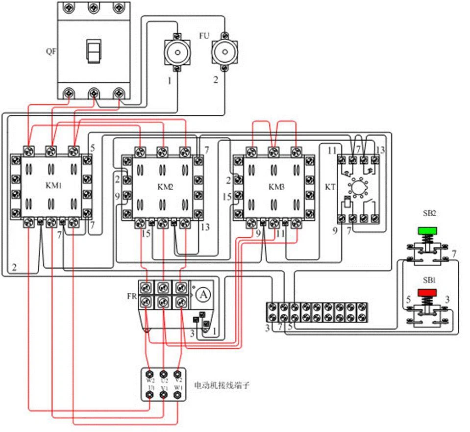
1. מדוע המנוע צריך להתחיל באק של כוכב-דלתא?
2. מה תפקידו של הכוכב בתהליך התחלת משולש הכוכבים?
תשובה 1. התחלת כוכב-דלתא משמשת בדרך כלל להתחלה עם מנועי כוח גדולים יותר ועומסים כבדים יותר. המטרה היא להפחית את התנודות הגדולות במתח הרשת כאשר המנוע מתחיל (הזרם של המנוע במתח מלא מתחיל בערך פי 4 עד לערך הנקוב), מה שעשוי להשפיע על הפעילות הרגילה של ציוד חשמלי אחר. למשתמשים עם יכולת שנאי קטנה ועומס כבד, אם לא משתמשים באיל הכוכב-דלתא כדי להתחיל, תנודת המתח בולטת במיוחד.
תשובה 2: כאשר מתחילים בחיבור כוכב, כל סלילת המנוע שלב משתנה ממתח 380 וולט שנוסף ל 220 וולט כאשר מתח מתח מלא. תחת אותה עכבה של זרם חילופין, זרם ההתחלה יורד באופן טבעי מאוד בגלל הירידה המשמעותית במתח (זרם התחלתי הערך המקסימלי מוגבל לערך פי 2). בתהליך הקצר לאחר הפעלת חיבור הכוכבים, המנוע משלים את ארבעת השלבים שלעיל ממהירות קבועה-סיבוב-תאוצה-קבועה, והזרם ממשיך לרדת גם יחד עם ארבעת התהליכים הללו. לאחר שהגיע לציטוט GG; מהירות קבועה, הזרם כבר לא יורד. עצור ערך מסוים. בשלב זה ציטוט ה-&שהתחיל בכוכב: המשימה ההיסטורית הושלמה. כאן עלינו להדגיש:" אם משימת התחלת הכוכבים הושלמה, אם תחכה 5 שניות, 10 שניות ו 15 שניות, היא לא תשפיע על מהירות המנוע. מה שישתנה, ההמתנה הזו חסרת תוחלת (עומס כבד יותר עשוי לגרום גם לממסר התרמי לפעול). לכן, לאחר סיום התחלת הכוכב (ב quot GG; מהירות קבועה"), יש להפעיל את ממסר הזמן (מעבר) מכיוון שהמנוע פועל עם עומס בסופו של דבר הוא בוצע במצב משולש.

באופן כללי:
א. התחלת הכוכבים היא להמיר מתח 380 וולט למתח 220 וולט ולהתחיל בהתפתלות, ובכך להגביל את זרם ההתחלה.
ב. להאיץ את המנוע ממצב סטטי למהירות מסוימת ולשמור עליו במהירות זו (המהירות עשויה להיות קרובה לערך המדורג של המנוע או שיש לו פער מסוים עם המהירות המדורגת, הנקבעת על ידי עומסים שונים מצב זה מושג בגלל זה המנוע מיצה את יכולתו המרבית (רק 1/3 מהמומנט).
לאחר מכן מועבר למשולש. במילים אחרות, המשולש הוא" ממסר מחדש של quot&;, והמנוע במהירות גבוהה יחסית מחובר למהירות המדורגת דרך המתח המלא (380V). (הזרם המיידי של ההמרה יקפוץ. אך אין השפעה רבה), ומניע את העומס לרוץ כרגיל.
